Wabco trailer abs wiring diagram best of Wadsworth new 50 amp 1 in. 1-pole type a wadsworth replacement circuit Wadsworth main breaker the wadsworth electric company breaker wiring diagram

Big Electric Supply - Wadsworth Breakers

15a wadsworth 1 pole 15 amp type a breaker Wadsworth panel question I have an old 60 watt wadsworth panel. at first, just part of the rooms

Wadsworth breaker panel

Wadsworth panel questionWadsworth 200 amp main breaker type e 120/240 volt guaranteed Electrical panel wiringWadsworth breakers all sizes 1 pole 2 pole twin cheater 15 20 30 40 50.

Wadsworth breaker amp circuit pole replacement type electric ubia connecticut challenger share breakers depot singleWarwick $$ wiring Breaker guaranteed wadsworthWadsworth breaker panel failure.

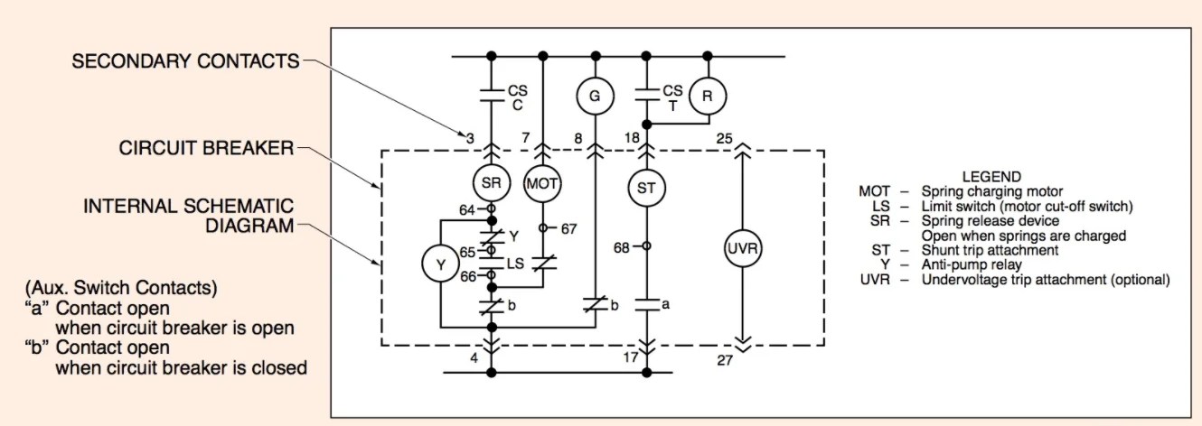
Circuit Breaker Schematic Diagram | Electrical Academia
Circuit Breaker Schematic Diagram | Electrical Academia

Wadsworth panel question

Wadsworth 15 amp 1 pole circuit breaker metal 120v a115,usedWadsworth breaker panel New wadsworth type-a replacement. two pole 60 amp circuit breakerWadsworth 20 amp single pole circuit breaker type a metal feet.

Trailer wiring diagram with breakaway switchWadsworth breaker amp circuit pole guaranteed single breakers millbank fits panels fuse Wadsworth breaker single pole 20 amp guaranteedPj trailer junction box wiring diagram.

Big Electric Supply - Wadsworth Breakers
Big Electric Supply - Wadsworth Breakers

2320 wiring wabco partial

New wadsworth type-a replacement. two pole 60 amp circuit breakerWiring diagrams Wadsworth breakers all sizes 1 pole 2 pole twin cheater 15 20 30 40 50Your electrician in wadsworth, oh: professional quality service.

Wadsworth panel questionAre wadsworth electrical panels dangerous? Fig 33. wiring diagram, basic wabco wiring (partial view)Circuit breaker schematic diagram.

Wadsworth Tandem 15 AMP 1 Pole Circuit Breaker | eBay
Wadsworth Tandem 15 AMP 1 Pole Circuit Breaker | eBay

Wadsworth breaker panel june

Wadsworth breakers all sizes 1 pole 2 pole twin cheater 15 20 30 40 50Wadsworth breaker pole breakers circuit W wiring diagrams part 1Big electric supply.

Wadsworth tandem 15 amp 1 pole circuit breakerWadsworth breaker panel sponsored links .

Trailer Wiring Diagram With Breakaway Switch
Trailer Wiring Diagram With Breakaway Switch
Electrical Panel Wiring
Electrical Panel Wiring
Wabco Trailer Abs Wiring Diagram Best Of | Air brake, Abs brake system
Wabco Trailer Abs Wiring Diagram Best Of | Air brake, Abs brake system
WADSWORTH
WADSWORTH
New Wadsworth Type-A Replacement. Two Pole 60 Amp Circuit Breaker
New Wadsworth Type-A Replacement. Two Pole 60 Amp Circuit Breaker
Wadsworth Panel Question - #5 by jfrederick - Electrical Inspections
Wadsworth Panel Question - #5 by jfrederick - Electrical Inspections
Wadsworth Panel Question - #5 by jfrederick - Electrical Inspections
Wadsworth Panel Question - #5 by jfrederick - Electrical Inspections
Wiring Diagrams
Wiring Diagrams
WADSWORTH Breakers ALL SIZES 1 Pole 2 Pole Twin Cheater 15 20 30 40 50
WADSWORTH Breakers ALL SIZES 1 Pole 2 Pole Twin Cheater 15 20 30 40 50